IUC26000KPA-10G 工业相机/分析成像

产品介绍

26MP APS-C 彩色卷帘快门相机(IMX571,10GigE 版),16-bit 全分辨率最高 45 fps,适合高像素彩色在线检测与远距部署。

产品特点

  • 传感器:IMX571(彩色,RS)26MP APS-C
  • 速度:16-bit 全分辨率 45 fps(10GigE)
  • 接口:10GigE 长距离高带宽传输
  • 动态:HCG/LCG 高动态模式
  • I/O:光耦隔离触发/输出 + GPIO
  • 生态:ToupView 与 SDK,便于系统集成

产品详情

关键参数
型号 IUC26000KPA-10G
传感器 Sony IMX571BQR-C
有效像素 / 分辨率 26.0MP (6224×4168)
帧率 (全分辨率) 45fps@6224×4168(16bit); 37fps@3104×2084; 110fps@2064×1388
快门方式 卷帘快门
色彩类型 彩色
成像性能
像元尺寸 3.76μm × 3.76μm
靶面尺寸 23.48mm × 15.67mm
对角线 1.8" (28.23mm)
动态范围 84.42dB(HCG) 86.58dB(LCG)
位深 8/16bit
灵敏度 484.5mV
接口 & 机械
数据接口 10GigE
GPIO 1路光耦隔离输入,1路光耦隔离输出,2路非隔离输入输出口
镜头接口 M42接口
外形尺寸 88mm × 88mm × 51.3mm
重量 540g
电源供电 DC12V供电
环境 & 认证
工作温度 / 湿度 -10°C ~ +50°C / 20%~80%(无冷凝)
存储温度 / 湿度 -30°C ~ +70°C / TBD
操作系统 Windows/Linux/macOS/Android多平台SDK(原生C/C++, C#/VB.NET, Python, Java, DirectShow, Twain等)
认证 CE/FCC

产品概述

IUC26000KPA-10G 是一款专为显微成像应用设计的数字相机,搭载 Sony IMX571BQR-C 高性能图像传感器,具有以下特征:

  • 卓越成像质量:26.0MP (6224×4168) 分辨率,3.76μm × 3.76μm 像元尺寸,靶面尺寸为 23.48mm × 15.67mm,确保细节清晰呈现
  • 成像特性:采用卷帘快门设计,支持彩色成像,适用于明场、暗场、相差、荧光等多种显微观察方式
  • 高速数据传输:采用 10GigE 接口,最大帧率可达 45fps@6224×4168(16bit); 37fps@3104×2084; 110fps@2064×1388,支持实时预览和快速拍摄
  • 色彩还原:8/16bit 色深,动态范围达 84.42dB(HCG) 86.58dB(LCG),真实还原样本色彩
  • 灵敏度性能:优异的低照度性能,灵敏度为 484.5mV,适合弱光样本观察
  • 光学适配:标准 M42接口 接口,兼容各品牌显微镜,配备 0.5X/0.63X/1X 适配器可选
  • 紧凑设计:整机尺寸仅 88mm × 88mm × 51.3mm,重量 540g,供电为 DC12V供电,无需额外电源
  • 软件支持:配套专业显微图像软件 ToupView,支持 Windows/Linux/macOS/Android多平台SDK(原生C/C++, C#/VB.NET, Python, Java, DirectShow, Twain等) 系统,提供测量、标注、拼接、景深融合等功能,支持 C/C++、C#、Python、ImageJ、μManager 等开发环境

核心性能指标

分辨率

26.0MP (6224×4168)

帧率

45fps@6224×4168(16bit); 37fps@3104×2084; 110fps@2064×1388

像元尺寸

3.76μm × 3.76μm

数据接口

10GigE

显微成像特性

专业显微应用

针对生物医学、材料科学、工业检测等显微观察需求优化,支持明场、暗场、相差、荧光等多种观察方式

优秀色彩还原

精确的色彩还原算法和白平衡控制,确保样本颜色真实准确,满足病理诊断等专业需求

测量分析功能

配套软件提供长度、面积、角度等测量工具,支持标注、统计分析,满足定量分析需求

图像处理能力

支持实时图像增强、景深融合、图像拼接等高级功能,提升观察效果和成像质量

推荐理由

IUC26000KPA-10G 显微相机凭借其出色的成像质量、便捷的操作体验和专业的软件支持,是显微镜数字化升级的理想选择。无论是生物医学研究、材料分析还是工业检测,都能为您提供清晰、准确、可靠的显微图像记录和分析方案。

IUC26000KPA-10G 产品手册

PDF格式,包含详细技术参数和尺寸结构


SDK开发包

支持Windows、Linux、macOS等多平台


3D模型文件

STEP格式,用于机械设计集成

包装清单 #

IUC 系列大靶面工业相机(USB3.0 / GigE / CameraLink)标准配置与装箱信息

建议配套套件
  1. 相机整机 - 本系列相机
  2. I/O线缆 - 7 Pin线缆或延长线缆
  3. USB3.0线缆 - Micro USB3.0线缆
  4. 电源 - 12V/3A 航插电源适配器
  5. 镜头(选配) - M42或M52接口镜头
注意:IUC系列采用大靶面传感器,支持M42或M52接口镜头。需要外部12V供电确保稳定工作。
建议配套套件
  1. 相机整机 - 本系列相机
  2. I/O线缆 - 7 Pin线缆或延长线缆
  3. 线缆 - GigE线缆
  4. 电源 - 12V/3A 航插电源适配器
  5. 镜头(选配) - M42或M52接口镜头
注意:GigE接口支持长距离传输,适合分布式视觉系统。需要外部12V供电。
建议配套套件
  1. 相机整机 - 本系列相机
  2. I/O线缆 - 7 Pin线缆或延长线缆
  3. 线缆 - CameraLink线缆
  4. 电源 - 12V/3A 航插电源适配器
  5. 镜头(选配) - M42或M52接口镜头
注意:CameraLink接口提供高带宽传输,适合高速高分辨率应用。需要外部12V供电。
点击上方接口按钮可切换对应清单

产品尺寸 #

IUC 系列大靶面工业相机外形尺寸示意

IUC USB3 整机外形尺寸
IUC USB3(整机)
USB3.0 整机尺寸图
大靶面设计
IUC USB3 裸板尺寸
IUC USB3(裸板)
USB3.0 裸板尺寸图
OEM集成设计
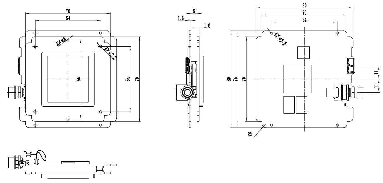
IUC GigE 整机外形尺寸
IUC GigE(整机)
GigE 整机尺寸图
千兆网接口设计
IUC CameraLink 整机外形尺寸
IUC CameraLink(整机)
CameraLink 整机尺寸图
高带宽接口设计
点击上方接口按钮可切换查看对应尺寸图

IUC系列是图谱光电推出的高性能APS-C及全画幅工业相机,覆盖170万至6000万像素分辨率,广泛适配科研检测、高分辨率工业检测及高速动态成像需求。该系列相机搭载Sony、Gpixel等高品质CMOS传感器,支持USB3.0、10GigE与CameraLink多种高速数据接口,部分型号支持自动对焦(佳能EF卡口镜头),为高精度成像和系统集成提供灵活方案。

核心特性

大靶面高分辨率传感器

APS-C与全画幅CMOS,最高60MP输出

多接口高速传输

USB3.0/10GigE/CameraLink灵活选择

自动对焦功能

部分型号支持佳能EF卡口自动对焦

硬件图像处理引擎

内置ISP,硬件降噪与色彩优化

性能参数亮点

分辨率范围

1.7-60 MP

超高像素成像
最高帧率

302 fps

@1600×1100
动态范围

70+ dB

高对比度场景
传感器尺寸

1.1"-2.7"

大靶面成像

产品深度介绍

大靶面高分辨率传感器技术

采用APS-C与全画幅级Sony/Gpixel CMOS,覆盖1.1"~2.7"芯片尺寸,支持最高60MP输出,满足超高分辨率检测和分析。像素尺寸从3.3µm到9.0µm,兼顾细节分辨与弱光灵敏度。暗电流低至0.03~0.3 e-/s/pix,动态范围可达70dB以上,适应高对比度场景。

高速数据传输与灵活接口

全系列提供USB3.0、10 GigE和CameraLink接口,兼顾高速数据流与灵活集成。典型型号如IUC1700KMA-CL480可达302 fps@1600×1100,全画幅高像素机型在多分辨率模式下可平衡高帧率与清晰度。支持8bit/12bit输出,适配检测分析需求。

智能对焦与光学兼容性

部分型号支持佳能EF卡口自动对焦镜头,灵活适应多场景拍摄需求。配合内置硬件ISP,实现硬件降噪、色彩还原、Gamma校正等,保证成像细节与输出效率。曝光控制范围从最短6µs到最长15s,满足高速与长时间曝光场景。

工业级可靠性设计

7PIN光耦隔离I/O,支持硬触发、软触发及自由运行,便于生产线自动化集成。DC12V供电,功耗低于5W,工作温度-10~50℃,支持固件在线升级。金属机身设计,确保在复杂环境下的长期稳定运行。

全平台软件生态

提供ToupView软件及Windows/Linux/macOS/Android多系统SDK,支持C/C++、C#/VB.NET、Python、Java、DirectShow、Twain等接口,方便二次开发。内置硬件ISP配合多平台SDK,快速部署到科研或自动化系统。

联系我们 技术支持 返回顶部